手動紙筒夾抱翻轉車
產品介紹
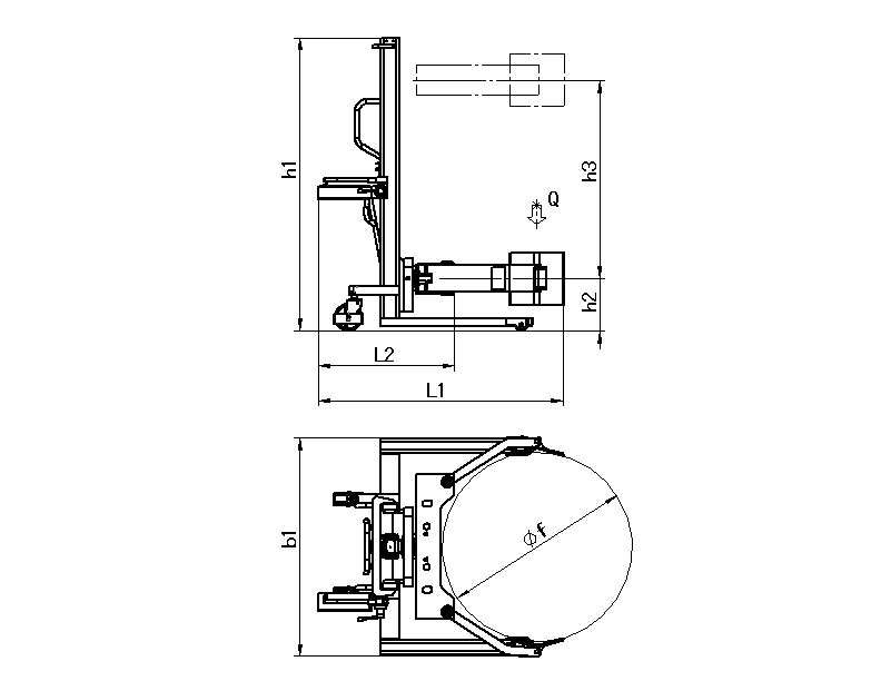
手動夾紙車手推行走,腳踏或手動液壓堆高,手動夾紙,手動旋轉夾具.
Manual Hand Walking, Hand Hydraulic Lifting, Manual Clamping and Manual Rotating
高等級國際槽鋼車架,更堅固更安全.
High Level International Channel Steel Frame, more strong and more safety
采用高品質液壓油缸,配進口密封件,確保不漏油
Use High quality hydraulic cylinder, with imported seals, ensure no leakage
夾爪部位有橡膠皮軟保護,不易有明顯深夾痕,方便使用.
There are rubber on the clamps, to prevent roll/reel from clamp marks.
廣泛用于造紙、包裝、印刷、紡織等行業倉庫車間搬運,升高,旋轉,移位等工作.
Widely used in paper , packaging, printing and textiles industry.
產品參數
|
型 號 Model |
CTY0216-500Z |
CTY0416-500Z |
CTY0216-1000Z |
CTY0416-1000Z |
|
額定載重 Capacity (kg) |
200 |
400 |
200 |
400 |
|
起升最高Liftmax.height(mm) |
1600 |
1600 |
1600 |
1600 |
|
抱夾寬度Clamp width (mm) |
635-950 |
635-950 |
1135-1450 |
1135-1450 |
|
抱夾總長Clamp length (mm) |
820 |
820 |
1220 |
1220 |
|
紙卷直徑Paper roll diameter |
¢200-500mm |
¢200-500mm |
¢300-1000mm |
¢300-1000mm |
|
載荷中心Load center (mm) |
350 |
350 |
700 |
700 |
|
車身重量Weight (Kg) |
348 |
366 |
370 |
395 |
|
外形尺寸Over size (mm) |
1500*950*2000 |
1500*950*1785 |
1900*1450*1780 |
1900*1450*1780 |
|
通道要求 Channel request |
1600轉彎Turn |
1600轉彎Turn |
2000轉彎Turn |
2000轉彎Turn |
|
行走通道Forward and Back |
1000mm |
1000mm |
1500mm |
1500mm |
|
后輪 Real wheels (mm) |
2*¢180*50 |
|||
|
前輪Front wheels (mm) |
2*¢80*70 |
|||
產品展示
售后說明
1.手動紙卷車整車保修一年
2.易損件為前輪后輪,正常磨損不在保修范圍內,如脫膠在保修范圍內
3.液壓缸確保不漏油,與鏈條接軌正常,一年內正常保修
4.24小時到48小時內到達或解決
5.提供操作視頻講解更換配件
6.手動紙筒搬運夾抱翻轉車終身提供配件
采購:手動紙筒夾抱翻轉車
- *聯系人:
- *手機:
- 公司名稱:
- 郵箱:
- *采購意向:
-
*驗證碼:





